Manuel du conducteur
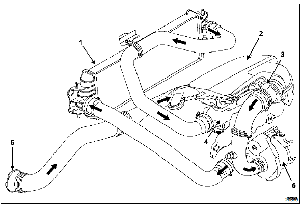
Moteur f9q
Schema du circuit d'admission d'air

Filtre à airLégende des vignettes utilisées dans le document
Couper au burin
Meuler le cordon ou les points
de soudure.
Meuleuse droite equipee d'Aun disque
bakelite . 75, Epaisseur 1,8 a 3,2 mm.
Fraiser les points de soudure.
Meuleuse droite 20 000 tr/min. Equipee de
fraise spherique .10 Ou 16 mm.
Percer les points de soudure.
Foret &agra ...
Serrure et commande de verrouillage du
dossier de banquette deuxième rangée
Depose de la serrure
Nota : pour effectuer cette opération, il n'est pas
nécessaire de déposer la banquette.
Rabattre le dossier.
Dégager les bandes de retenue autour de la serrure.
Déposer les deux vis de fixation (a) de la serrure.
Dégager la ...
Pretensionneur de ceinture
Description
Les véhicules sont équipés :
D'un prétensionneur sur le siège conducteur,
De prétensionneurs sur le siège passager :
D'un allumeur si le véhicule est équipé d'un
siège d'une place,
Deux allumeurs en ...