Manuel du conducteur

Déposer les huit vis de fixation (a) situées à chaque extrémité de glissière.

Découper le collier de maintien (b). Déposer le connecteur (c). Dégager le siège.

Déposer :

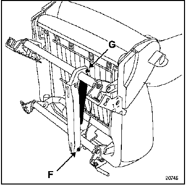
Marquer au pointeau, le centre de la goupille (f). A l'aide d'une perceuse araser la partie matée de celleci, puis déposer la goupille. Déposer le clip arrêtoir et la goupille (g). Dégager le vérin.
Repose
Le magasin pièces de rechange fournit des goupilles spécifiques après-vente.

S'assurer de la présence des deux rondelles plastiques (h).
Réhausse et glissières de siègePurge du circuit de freinage
Outillage specialise indispensable
Appareil de purge préconisé par renault
Nota : le groupe hydraulique est pré rempli.
Cette procédure de purge est applicable à la suite d'une dépose des éléments
suivants :
Le groupe hydraulique,
...
Réaspiration des vapeurs d'huile
Presentation du circuit
Moteur
Décanteur d'huile
Boîtier de filtre à air
Collecteur d'admission
Controle
Pour garantir un bon fonctionnement du système
antipollution, le circuit de réaspiration des vapeurs
d'huile doit être maintenu propre ...
Kit de gonflage des pneumatiques
Le kit répare les pneumatiques
endommagés sur
la bande de roulement a
par des objets de moins
de 4 millimètres. Il ne répare pas
tous les types de crevaisons comme
les coupures de plus de 4 millimètres,
les entailles sur le flanc b
du pneumatique...
as ...