Manuel du conducteur
C'est un élément de structure démontable.
Le remplacement de cette pièce est une opération liée au remplacement de la façade avant.
Dans la méthode décrite ci-après vous ne trouverez que les positions des fixations spécifiques à l'élément ainsi que ses possibilités de réglages.
Les informations concernant les pièces complémentaires seront traitées dans leurs chapitres respectifs (voir sommaire).
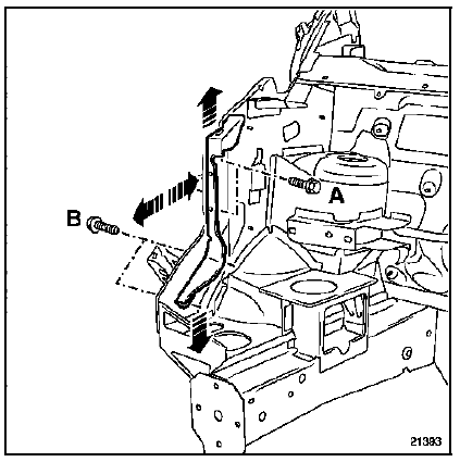
Composition de la piece de rechange
Pièce livrée seule.


Le réglage en ox et en oz s'effectue par les vis (a) et (b).
Façade avant
Renfort supérieur de côté d'auventRemorquage
Pour le remorquage se referer a la loi en vigueur dans chaque pays.
Ne jamais prendre les tubes de transmission comme point d'attache.
Les points de remorquage peuvent être utilisés uniquement pour le remorquage
sur route. Ils ne peuvent servir en
aucun cas pour sortir le v&eacut ...
Lave-vitre arrière
Essuie-vitre arrière
à cadencement en
fonction de la vitesse
Contact mis, pivotez l'extrémité de la
manette 1 jusqu'à amener le symbole
en face du repère 2.
La fréquence de balayage varie en
fonction de la vitesse.
Lors des intervention ...
Direction assistée
Controle de niveau
Niveau pompe d'assistance direction
Utiliser pour les appoints ou le remplissage de l'huile
elf renault matic d2 ou mobil atf 220.
Pour un niveau correct, il faut qu'il soit visible entre les
niveaux mini et maxi sur le réservoir (1).
Moteurs tous types
...