Manuel du conducteur

16 MmLa valeur de tarage de la soupape du vase d'expansion est de 1,2 bar (couleur marron).
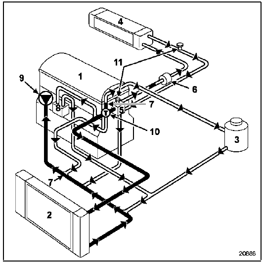
Contrôle
Pompe à eauReferences de positionnement des pieces remplacees
C - fixation avant de berceau avant
Le calibre est centré et fixé dans le trou de fixation de
berceau.
Il est à utiliser lors du remplacement d'un longeron
avant partiel ou complet.
E - fixation d'amortisseur arriere
Le calibre est centré et fixé da ...
Pré-équipement radio
Emplacement radio 1
Déclippez le cache qui vient obstruer
l'emplacement radio 1. Les
connexions : antenne, alimentation +
et -, fils haut-parleurs se trouvent derrière.
Haut-parleurs
Tournez les grilles 2 pour accéder aux
fils de haut-parleur.
Pour le fonctionnem ...
Arbre de localisation de pannes
Absence de dialogue avec le
calculateur d'airbag
Consignes
Sans.
S'assurer que l'outil de diagnostic ne soit pas la cause du défaut en
essayant de communiquer avec un
calculateur sur un autre véhicule. Si l'outil n'est pas en cause et que le
dialogue ne s'établit avec ...