Manuel du conducteur
Pieces necessitant une mise au marbre

References de positionnement
C'est la référence principale avant de mise en assiette.

Mécanique avant déposée
Nota : du côté gauche, le trou est rond, du côté droit, c'est une boutonnière.
En cas de remplacement du support arrière de berceau, cette référence est remplacée provisoirement par le point (g), situé sur la par tie arrière de longeron avant, le point (a) servant alors à positionner l'élément remplacé.

Mécanique avant en place
Le calibre coiffe la vis de fixation du berceau.
Deux cas peuvent se présenter :
Important : il est néanmoins conseillé en cas de doute sur la déformation de l'un des points du référentiel principal (a ou b), d'utiliser deux points supplémentaires situés dans une zone non affectée par le choc, afin de confirmer la mise en assiette.
C'est la référence principale arrière de mise en assiette.

Mécanique arrière déposée
Le calibre est broché dans la chape de fixation du tirant de train arrière (b2') ou centré dans le trou pilote de montage train (b1').
En cas de remplacement du longeron arrière complet, cette référence est remplacée par le point (g), situé sur la partie arrière de longeron avant, les points (b) servant alors à positionner la pièce remplacée.

Mécanique arrière en place
Le calibre est en appui sous le longeron arrière, centré dans le trou pilote de montage train et coiffe le boulon de fixation du tirant de train arrière.
Ce sont des références provisoires destinées à remplacer les principales, lorsque ces dernières ont été affectées par le choc.
Ces points permettent de soutenir le véhicule en complément à une référence principale du côté du choc, et n'ont qu'une relative précision d'alignement véhicule.
Important : ces points ne sont à utiliser que dans les cas précités, il est inutile de les mettre en place lorsque les références principales (a et b) sont correctes.
Cette fonction de référence complémentaire peut également être remplie par les points de contrôles des extrémités de longeron avant pour le choc arrière et inversement.
G - extremite arriere de longeron avant

Ce point a également une fonction de référence de positionnement lors du remplacement d'une partie arrière de longeron avant.
Nota : la dépose du tirant (1) est nécessaire pour l'accès au trou.
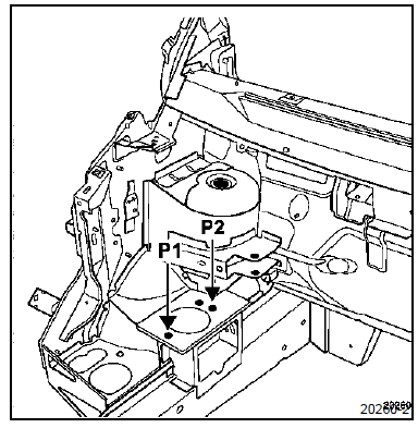
C - fixation avant de berceau avant

Le calibre est centré et fixé dans le trou de fixation de berceau.
Il est à utiliser lors du remplacement d'un longeron avant partiel ou complet.
E - fixation d'amortisseur arriere

Le calibre est centré et fixé dans l'axe de l'amortisseur.
Il est à utiliser lors du remplacement d'un longeron arrière partiel ou complet.
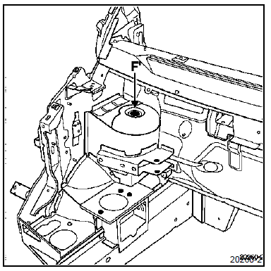
F - fixation superieure d'amortisseur avant

Le calibre est en appui sous la coupelle d'amortisseur et se centre dans le trou de fixation de l'amortisseur.
Il est à utiliser lors du remplacement du passage de roue.
J - extremite de longeron arriere

Le calibre vient en appui sous le longeron et est centré dans le trou pilote.
Il peut être utilisé avec mécanique en place, pour la remise en ligne du longeron, mais cela nécessite la dépose de l'amortisseur.
Il est également utilisé avec mécanique déposée, dans les mêmes conditions, pour le remplacement du longeron.
L - traverse extreme arriere

Le calibre vient en appui sous le boîtier de fixation d'amortisseurs, puis est centré dans les trous de fixation de l'attelage de remorque.
Il est utilisé pour le remplacement de l'ensemble jupe traverse arrière avec ou sans mécanique.
N - fixation de tirant lateral de train arriere

Le calibre est centré et fixé dans l'axe du tirant latéral de train arrière.
Il est à utiliser lors du remplacement :
P - fixation moteur

Le calibre vient se placer par-dessus l'appui moteur, il se centre dans les trous de fixation du patin.
Il est à utiliser avec mécanique déposée pour le remplacement d'un demi-bloc avant.
R - fixation tirant moteur

Le calibre vient se placer dans la chape du tirant, il se fixe en lieu et place de celui-ci.
Il est à utiliser pour la mise en référence géométrique de la chape de tirant.
Combinatoires des chocs
PeintureUtilisation
Elle permet le verrouillage/déverrouillage
sans action sur la carte
renault lorsqu'elle est présente
dans la zone d'accès 1.
Verrouillage/déverrouillage
du véhicule
Vous disposez de deux modes de verrouillage/
déverrouillage du véhicule :
...
Fermeture arrière de marche pied latéral avant
Le remplacement de cette pièce est une opération
complémentaire au remplacement de la fermeture de
bas de caisse pour une collision latérale.
Nota : il n'y a pas de spécificité méthode pour cette
opération, les liaisons sont toutes ré ...
Défaut segment multiplexé
Consignes
Vérifier d'abord que le calculateur à l'extrémité du segment soit bien
alimenté
(masse, +batterie, +servitude ou +après contact).
Vérifier toujours la conformité du calculateur.
Attention : il se peut que l'outil n'arrive pas &a ...