Manuel du conducteur
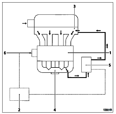
Presentation du circuit

Depose de la vanne
La vanne egr est emmanchée en force dans le collecteur d'admission.
Pour faciliter son remplacement, il est préférable de déposer les collecteurs.
But du systeme egr
La recirculation des gaz d'échappement est employée afin de réduire la teneur en oxyde d'azote (nox) contenu dans les gaz d'échappement.
Le calculateur d'injection autorise le passage des gaz grâce au pilotage d'une vanne électrique.
Principe de fonctionnement
La vanne est commandée par un signal rco (rapport cyclique d'ouverture) émis par le calculateur d'injection. Le signal rco permet de moduler l'ouverture de la vanne, et par conséquent, la quantité de gaz d'échappement détournée vers le collecteur d'admission.
Conditions de fonctionnement
Les paramètres qui déterminent l'activation de l'électrovanne egr (exhaust gas recycling) sont les suivants :
L'egr est coupé si :
La vanne egr n'est pas pilotée après le démarrage selon une cartographie de température d'eau.
X temps
Y température d'eau (c)

En cas de défaut :
La vanne électrique d'egr est alimentée pendant 40 secondes à chaque retour au ralenti si la température d'air est supérieure à 15 c.

Réaspiration des vapeurs d'huile
Demarrage chargeTraverse inférieure de baie
Le remplacement de cette pièce est une opération
complémentaire au remplacement du renfort de
traverse inférieure de baie pour une collision latérale.
Cette opération s'effectue suivant deux possibilités
(voir méthode ci-après) :
...
Fixation par ceinture de sécurité ou par système isofix
Fourgon 2 places
Fourgon 3 places
Vérifiez l'état de l'airbag
avant
d'installer un passager ou un
siège enfant.
Place interdisant l'installation
d'un siège enfant.
Siège enfant fixé à l'aide de la
ceinture
Place autorisant la fix ...
Avertisseur de perte de pression des pneumatiques
Lorsque le véhicule en est équipé, ce
système avertit de la perte de pression
d'un ou plusieurs pneumatiques.
Principe de fonctionnement
Chaque roue (sauf la roue de secours)
comporte un capteur dans la valve de
gonflage qui mesure périodiquement,
en rou ...