 
		Manuel du conducteur
Le remplacement de cette pièce est une opération complémentaire au support de la traverse radiateur pour une collision avant.
Cette opération s'effectue suivant deux possibilités :
Important : l'utilisation du banc de réparation est indispensable sauf pour le remplacement du partiel suivant coupe a.
Dans la méthode décrite ci-après vous ne trouverez que les particularités au niveau des coupes.
Les informations concernant les pièces complémentaires seront traitées dans leurs chapitres respectifs (voir sommaire).
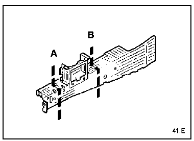
Composition de la piece de rechange
Pièce assemblée avec : renfort de longeron
Réhausse support tampon moteur
Entretoise soudée
Equerre réhausse coupelle (côté gauche)
Plaquettes de fixation (côté gauche)

Pieces concernees (épaisseur en mm) :
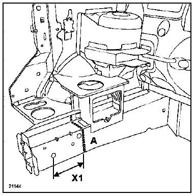
Remplacement coupe a


Nota : cette opération peut être effectuée sans utiliser le banc de réparation.
La traverse inférieure extrême avant peut être utilisée comme calibre pour l'alignement de la partie remplacée.
Important : la coupe s'effectue dans la zone x1, mais ne doit en aucun cas être située sur un trou pilote ou un point fusible.
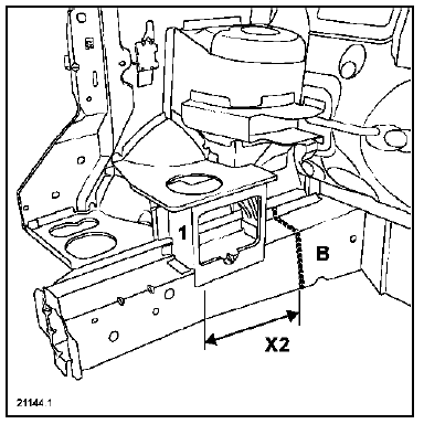
Remplacement partiel coupe b

Important : la coupe s'effectue dans la zone x2.
Nota : Il est possible d'effectuer la coupe sous le renfort de support moteur, mais dans ce cas il sera nécessaire de le dégrafer pour réaliser aisément l'opération. Pour cela il est conseillé de commander en supplément un renfort neuf.
Les soudures du renfort sur le longeron seront réalisées par bouchonnage.
 Traverse latérale extrême avant
Traverse latérale extrême avant Fermeture de longeron avant partie avant
Fermeture de longeron avant partie avantBoîtier de direction assistée
   
Depose
Mettre en place le véhicule sur un pont à deux
colonnes.
Arrimer le véhicule sur le pont à deux colonnes.
Déposer les roues.
Mettre en place les pinces durit mot. 453-01 Sur les
tuyaux du circuit d'assistance hydraulique.
Dégraf ...
   
Effets client
   Consignes
Ne consulter ces effets client qu'après un contrôle complet à l'outil de
diagnostic.
Pas de communication avec l'unité
centrale habitacle Alp 1
Arbre de localisation de pannes
Pas de communication avec 
l'unite centrale
habitacle
Consignes
Rien à ...
   
Pneumatiques (sécurité pneumatiques, roues, utilisation hivernale)
   Des pressions insuffisantes
entraînent une
usure prématurée et des
échauffements anormaux
des pneumatiques avec toutes les
conséquences que cela comporte
sur le plan de la sécurité :
	Mauvaise tenue de route,
	Risque d'éclatement ou de ...