Manuel du conducteur
Moteur f9q
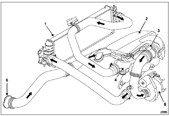
Schema du circuit d'admission d'air

Filtre à airPompe haute pression
Il est interdit de demonter l'interieur de la pompe
Attention : avant toute intervention, brancher
l'outil de diagnostic avec le calculateur d'injection et
vérifier que la rampe d'injection ne soit plus sous
pression.
Prendre garde à la température de carburant.
Re ...
Panneau de porte arrière de chargement
Le remplacement de cette pièce est une opération de
base pour une collision arrière.
Cette opération s'effectue suivant deux possibilités :
Complète pour les panneaux tôles,
Partielle pour les panneaux vitrés suivant les coupes
a-b.
...
Correction du régime de ralenti
Correction du regime de ralenti en fonction de la temperature d'eau
X : régime moteur en tr/min.
Y : température d'eau en c
Correction en fonction du bilan electrique
Cette correction a pour but de compenser la baisse de tension due à la mise
en marche de consommateur ...